Сегодня получил письмо следующего содержания:
Сергей Николаевич, добрый день
Выложите пожлуйста на форуме
Вариатор на Toyota Land Cruiser 100. Двига 2UZ-FE до 08.2002
Начну с главного - все заработало. Результатом доволен. Угол оставил в 9 град. Работа двигателя стала более приемистой, это чувствуется при разгоне с места. При наборе скорости выше 50 контраст, который можно оценить по ощущениям, пропадает.
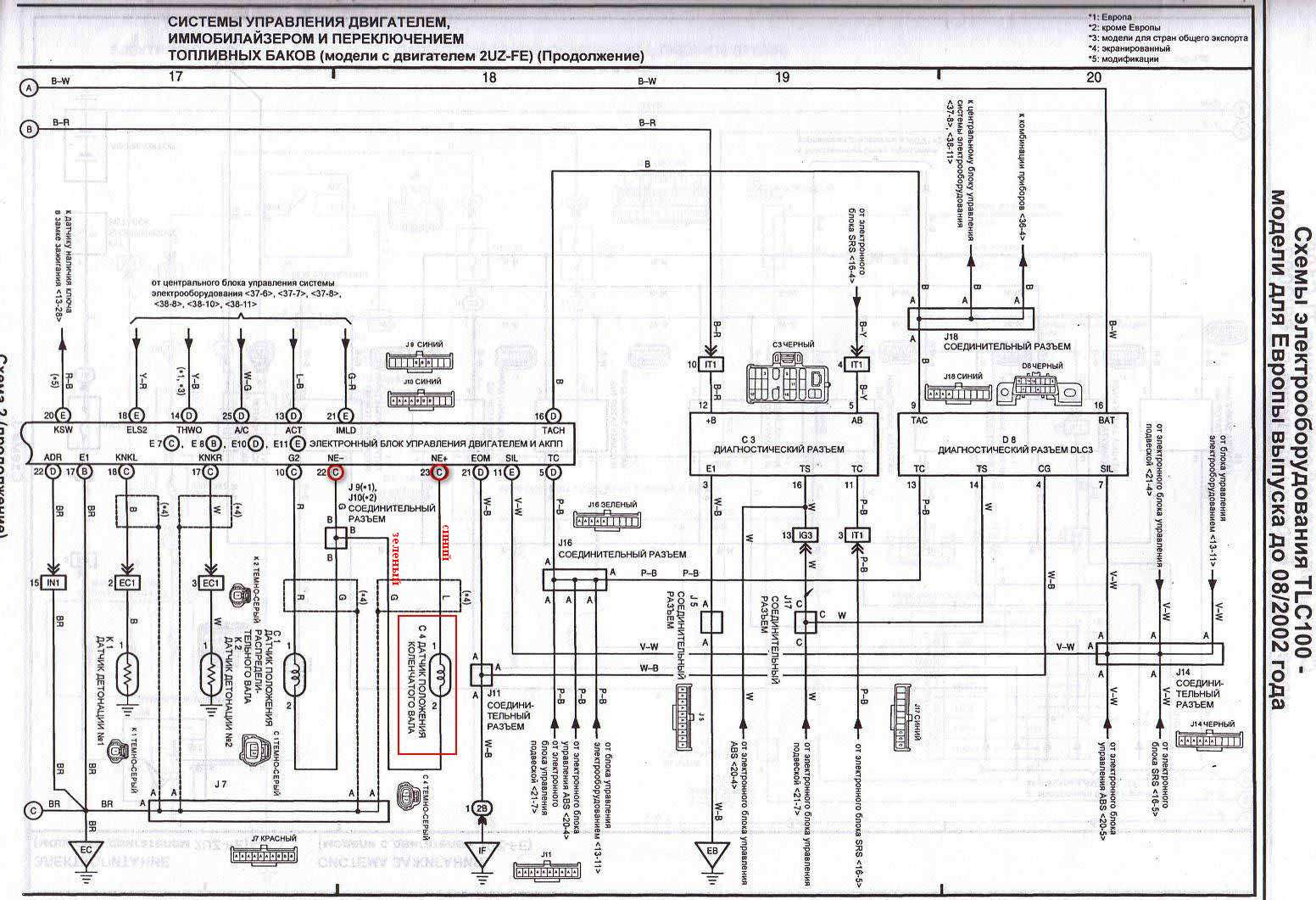
Все было подключено к ЭБУ и вариатор размещен в салоне. ЭБУ расположен за бардачком. Один нюанс, который хочу озвучить сразу - до 08.2002 года и после устанавливались разные блоки управления двигателем. Распиновка по штекерам разная и датчики положения коленвала и распредвала подключались тоже по разному. До 08.2002 года NE- у ДПКВ и ДПРВ объединены, а после 08.2002 года нет.
В моем случае Крузак был 2001 года и вариатор пришлось подключать за точкой объединения. Массу подключил тоже в этом же штекере (Е6). Для удобства подключения "косу" вытащил под капот. Там же удобно было прокинуть, сразу через сальник, провод к редуктору под капот. Зажигание (IGSW) находиться в штекере (E10), жгут, которого приходит из салона.
Переключатели на вариаторе не трогал.
На подключение ушло около часа.
Схемки прилагаю:

- 1. TLC до 08.2002.jpg (93.64 KIB) Просмотров: 18864

- 2. Схема.jpg (208.3 KIB) Просмотров: 18864

- 3. Блок ЭБУ.jpg (1.29 MIB) Просмотров: 18864

- 4. Коса.jpg (1.04 MIB) Просмотров: 18864

- 5. Коса (подключение).jpg (1.18 MIB) Просмотров: 18864

- 6. Вариатор.jpg (1.25 MIB) Просмотров: 18864