У меня двигатель А275. ЭБУ Микас12. Евро4-5. ГБО OMVL Dream.
Автомобиль класса Евро 4 или Евро 5. 
Задушен наглухо(( Скорее всего понадобится опережение и для бенза на 2 градуса.
Это схема с МИКАС 12.3, у меня МИКАС 12:
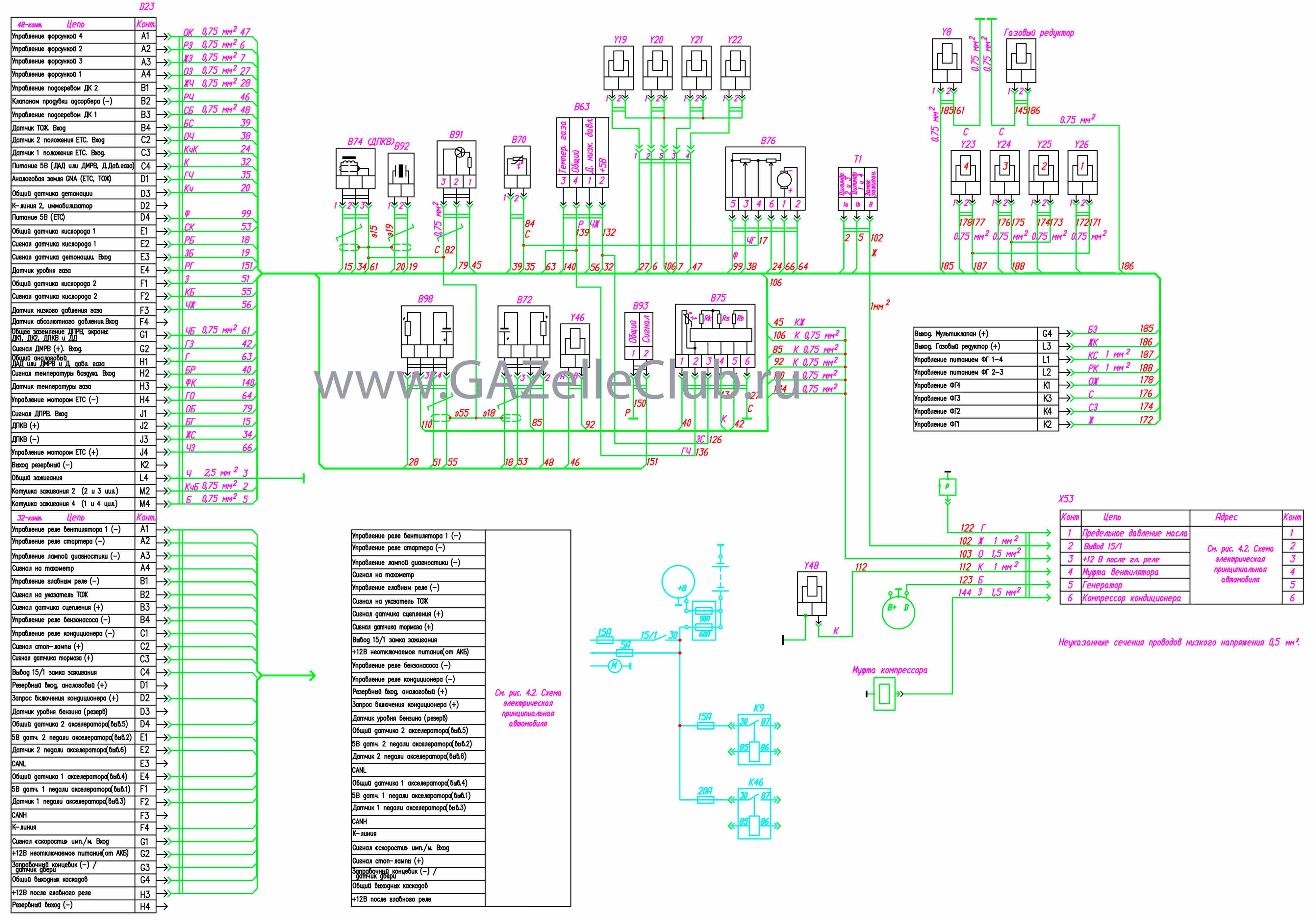
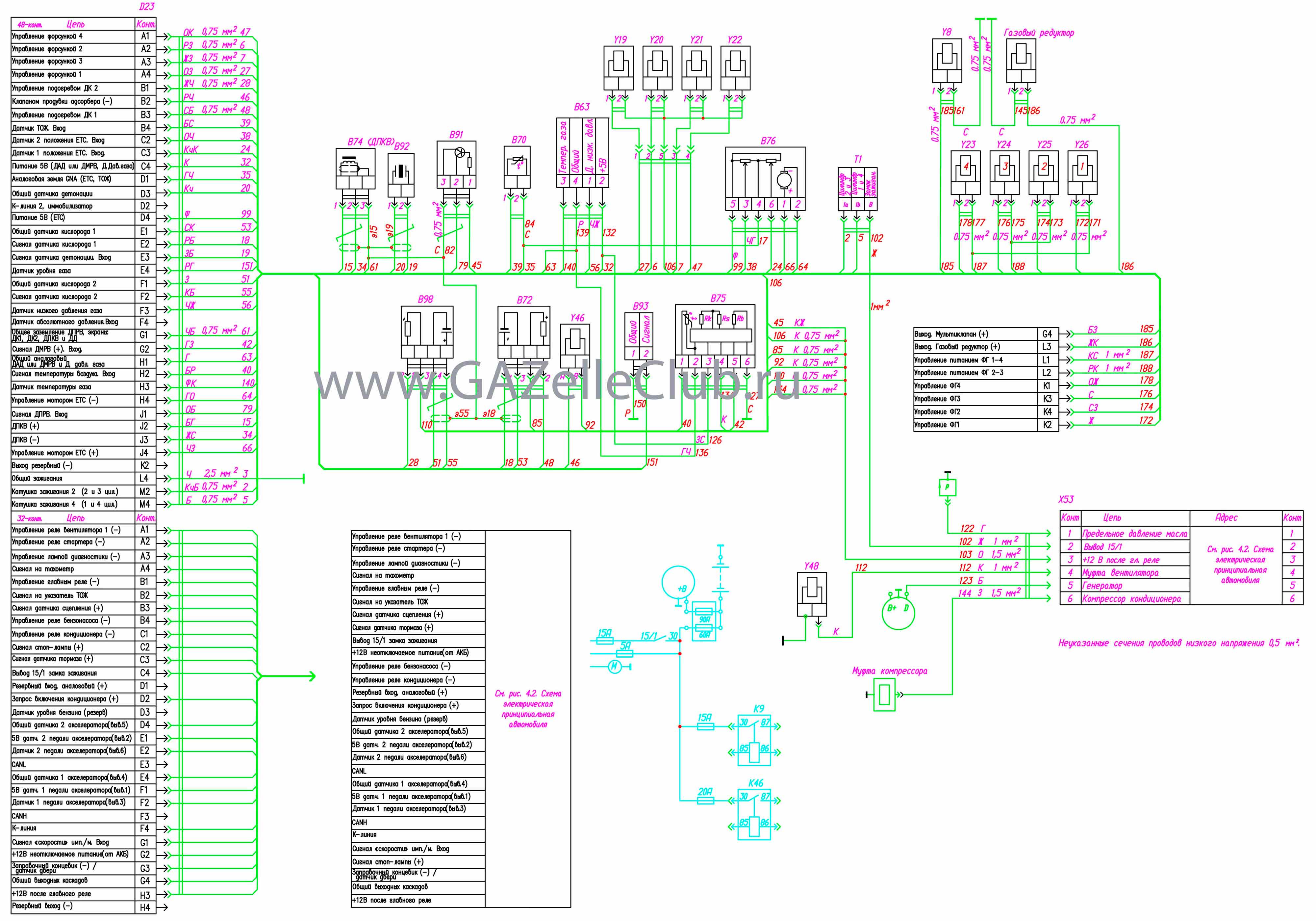
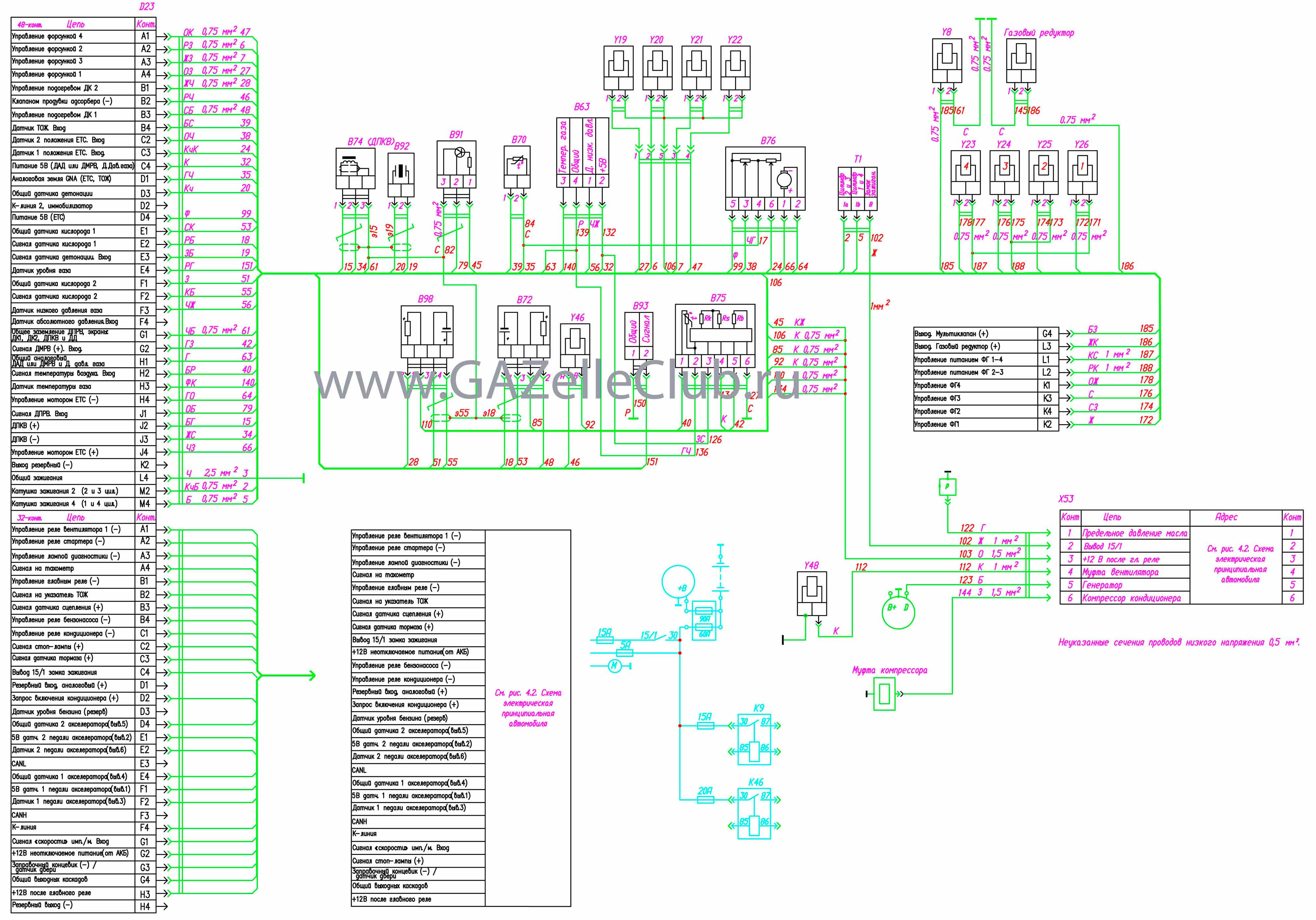
А вот схема управления двигателем УМЗ с ГБО Евро-4:
https://www.gazelleclub.ru/docs/elektro ... evro4.html
		
			
 
			
			- Схема.jpg (616.04 KIB) Просмотров: 55443
 
		
		 В63 - датчик давления и температуры газа; 
В70 - датчик температуры охлаждающей жидкости; 
В72 - датчик кислорода; 
В74 - датчик синхронизации и скорости вращения; В75 - датчик массового расхода воздуха; 
В76 - электронный дроссельный узел; 
В91 - датчик фазы; В92 - датчик детонации; 
В93 - датчик уровня газа; 
В97 - датчик неровной дороги; 
В98 - датчик кислорода диагностический; 
D23 - блок управления; 
К9 - реле электробензонасоса; 
К46 - главное реле; 
Т1 - модуль катушки зажигания; 
Y8 - мультиклапан; 
Y19, Y20, Y21, Y22 - форсунки электромагнитные; 
Y23,Y24,Y25,Y26 - форсунки электромагнитные газовые; 
Y46 - клапан продувки адсорбера; 
Y48 - муфта электромагнитная отключения вентилятора; 
Х53 - колодка соединительная